The Institute’s interlocking “GT” shows up on T-shirts and websites, on billboards and the massive scoreboard at Bobby Dodd Stadium. But the most impressive display of the logo just might be one that can’t be seen at all—at least not with the naked eye. Above is a nanoscopic image of GT logos created by a team at Tech’s Nanotechnology Lab. Constructed out of nanotubes, cylindrical structures built of carbon, each “GT” is about 50 micrometers wide. (A micrometer is one millionth of a meter.)
When they’re not being employed in hyper-miniature displays of school spirit, nanotubes are revolutionizing electronics, photovoltaic cells and batteries. Soon, a satellite will launch carrying a field emission array built with nanotubes created by the Nanotechnology Lab, led by Jud Ready, MatE 94, MS MetE 97, PhD MSE 00, an adjunct professor in the School of Materials Science and Engineering and a principal research engineer at Georgia Tech Research Institute.
That achievement marks a dramatic change from 20 years ago, when the summer 1993 Alumni Magazine took an early look at the nanotech research being conducted at the Institute. Researchers used scanning-tunneling microscopes to study the world in nano scale (a nanometer is one billionth of a meter), and could do little more than theorize about potential applications.
At that point, Mark Allen, then a professor in electrical engineering, had just begun to fashion rudimentary nanomachines in the clean room of Tech’s Microelectronics Research Center. Asked about the possibility that nanotechnology could dramatically change our lives, Allen said such ideas were “overly optimistic … but you never know.”
Over the next two decades, Allen’s work in the field generated dozens of patents and led to the creation of two successful startup companies: Redeon commercialized Allen’s microneedle breakthrough, and CardioMEMS manufactured and distributed his implantable wireless sensors used to monitor for abdominal aortic aneurysms. Those breakthroughs are now saving lives.
These days, Allen serves as executive director of the Institute for Electronics and Nanotechnology, a position tasked with helping coordinate Georgia Tech’s efforts in the field. That work received a boost in 2009, when the Marcus Nanotechnology Building opened on campus. The 190,000-square-foot facility includes 30,000 square feet of clean room space, making Tech a premier nano location. Tech’s nationally renowned researchers regularly partner with scientists and engineers from industry, government and other universities as part of the National Nanotechnology Infrastructure Network, which is supported by the National Science Foundation.
“Led by professor Jim Meindl, the Nanotechnology Research Center is a key part of Tech’s interdisciplinary and institute-wide focus on electronics and nanotechnology and how they can be used to solve complex challenges in a changing world,” says Steve Cross, Tech’s executive vice president for research.
Around campus, Tech’s nano researchers are innovating at the smallest scale. Normally, these can only be seen in the lab with the most powerful imaging equipment. Below, we provide a glimpse into the tiniest breakthroughs happening at Georgia Tech. And you can find some bonus images right here.
-
-
Biologists have long understood the basic functioning of cells, even if they’ve been unable to see how a cell operates at the smallest scale. But a new technique developed at Georgia Tech is shedding light, literally, on the inner workings of cells. Younan Xia, the Brock Family Chair and Georgia Research Alliance Eminent Scholar in Nanomedicine in the Wallace H. Coulter Department of Biomedical Engineering at Georgia Tech and Emory, recently published an article demonstrating that, using radioactivity and optical scattering/adsorption, his team could see the system functioning at a nano scale and could control gold nanocages inside a biological system. The research could be used in future tests to better diagnose and treat cancer.
-
-
It seems like something out of a sci-fi vision of the future: As a person walks, the friction in his clothing generates electricity that powers his electronic devices. But such a nanogenerator already exists thanks to the work of a team led by Zhong Lin Wang, a Regents professor in the School of Materials Science and Engineering and director of the Center for Nanostructure Characterization. Polymer nanowires (seen here) are placed against aligned zinc oxide nanowires. As the material flexes, it generates and captures electricity. The nanogenerator could create a self-sufficient power source for nanomachines, such as sensors inside the human body, as well as for turning our clothing into moving power generators.
-
-
It seems like something out of a sci-fi vision of the future: As a person walks, the friction in his clothing generates electricity that powers his electronic devices. But such a nanogenerator already exists thanks to the work of a team led by Zhong Lin Wang, a Regents professor in the School of Materials Science and Engineering and director of the Center for Nanostructure Characterization. Polymer nanowires are placed against aligned zinc oxide nanowires (seen here). As the material flexes, it generates and captures electricity. The nanogenerator could create a self-sufficient power source for nanomachines, such as sensors inside the human body, as well as for turning our clothing into moving power generators.
-
-
While computing power has grown exponentially through the use of silicon chips, scientists are approaching the material’s physical limits. The race is on to find a replacement substance, and many believe that will be graphene, which is composed of carbon atoms arranged in a hexagonal pattern. In 2003, Walt de Heer, a Regents professor in the School of Physics, patented a method to grow epitaxial graphene on silicon carbide. The image shows the view through a scanning electron microscope, revealing gate structures that are far less than a micrometer wide. These gate structures are key to building next-generation electronics that will be faster and far more efficient than today’s models.
-
-
The process of building nanoscale structures often sounds like a type of gardening: planting seeds in a substrate, fertilizing it and watching it grow. And so it’s no surprise that the structures seen here, created by a team led by mechanical engineering professor Suresh Sitaraman, often are called a “forest.” What looks like tree trunks are vertically aligned carbon nanotubes, and what looks like foliage is titanium evaporated onto the tips of the nanotubes. The material has broad potential applications, including for use in disease diagnosis and next-generation microelectronic interconnects.
-
-
When your construction materials are measured not in yards or inches but in mere atoms, a host of new challenges enter in—for one, how do you manipulate something when you can barely see it? Solving those thorny issues is the task taken up by Nazanin Bassiri-Gharb, an assistant professor in the School of Mechanical Engineering. Bassiri-Gharb has pioneered methods of using nanoscale ferroelectric materials to build microelectromechanical systems, such as the one seen here, for use as sensors and actuators. Instead of bricks and mortar, she builds these using electron beam lithography, nano-imprint and other cutting-edge techniques.
-
-
Nanotech research is about more than making tiny machines—it also could lead to major developments in health care. A particular focus is the potential ability to fight cancer at the single-cell level. A group led by Mostafa El-Sayed, a Regents professor in the School of Chemistry, has developed a technique called Targeted Plasmonic Enhanced Single Cell Imaging Spectroscopy, which allows for the direction of gold and silver nanoparticles to specific locations within a cell (such as the cancer cell seen here). His team was the first to synthesize metallic nanoparticles in different shapes. The research has drawn significant attention as a possible means to target cancer cells—a silver bullet to fight the disease.
-
-
Currently, carbon fiber composites are 10 times as strong as steel. But the material has the potential to be much stronger. With funding from the Department of Defense, a team led by Satish Kumar, a professor in the School of Materials Science and Engineering, is working to reinforce carbon fibers with carbon nanotubes to develop state-of-the-art composites for use in airplanes and rockets. This image shows a cross-section of their new material.
-
-
In building machines at the nano scale, one element of critical importance is the materials used and how they interact with their surrounding environment. As James Gole, a professor emeritus in the School of Physics, puts it, this work exists at the intersection of chemical and condensed matter physics and material science. Using a variety of techniques, Gole and his team have developed a toolbox full of nano-scale materials such as wires, brushes, tubes and coatings that can be seen using a transmission electron microscope. The image shows needle-like, silver-based dendritic nanostructures that could have applications in photocatalysis and photovoltaics.
-
-
This might look like the surface of the sun, but it’s actually a nanoscopic view of an aerogel microsphere made from cellulose-based nanofibrils by a team led by Yulin Deng, a Tech professor and fellow of the International Academy of Wood Science. Which is a complicated way of saying that it’s very advanced paper. The team is researching potential uses of nanomaterials in forest products.
-
-
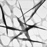
A team led by Michael Filler, an assistant professor in the School of Chemical and Biomolecular Engineering, demonstrated a process to grow semiconductor nanowire “trees,” seen here. The researchers controled atoms decorating the nanowire surface, which allowed them to program the structure. The team is studying applications in next-generation electronics, photonics and energy conversion.
-
-
Pollen season is an annual headache for many. And when you see how nasty pollen looks at the nano scale, as in the image of a grain of dandelion pollen below, it makes sense why the stuff brings on sneezing fits. But understanding the structure of pollen at the nano scale is potentially helpful in developing next-generation adhesives. With funding from the Air Force, a team led by Carson Meredith, a professor in the School of Chemical and Biomolecular Engineering, is using the sticky structure of pollen as inspiration for sensors and markers with tunable adhesion.
Next Article Previous Article